Корзина 0 Список сравнения 0 Список желаний 0 Account
Меню
140000 Россия, г. Люберцы, ул. Инициативная, д.8, Магазин ТК "Эстакада" пав. Ж-41
Пн–Вс: 09:00-18:00
Без выходных

Centro-M 200 канальный центробежный вентилятор

Centro-M 200 канальный центробежный вентилятор
Centro-M 200 канальный центробежный вентилятор
Centro-M 200 канальный центробежный вентилятор
Centro-M 200 канальный центробежный вентилятор
Производитель: Blauberg
Модель: Centro-M 200 канальный центробежный вентилятор
Отзывы: (4)
1
Артикул: 17955
Купить в один клик


Характеристики: (смотреть все)
Тип вентилятора
центробежный
Диаметр, мм
200
Производительность max, м³/час
1070.0
Мощность max, Вт
135.0
Уровень шума max, дБ
48.0
Особенности
защита от перегрева
Производитель
Blauberg
Страна бренда
Германия
Акция
нет

Канальный центробежный вентилятор BLAUBERG Centro-M 200

Приточно-вытяжные системы вентиляции различных помещений. Подходит для установки в вытяжные системы помещений с повышенной влажностью (санузлы, кухни). 


КОНСТРУКЦИЯ

Корпус изготавливается из стали и окрашивается специальной полимерной краской. Форма корпуса аэродинамически оптимизирована. Клеммная коробка для подключения питания выполнена наружной.


ДВИГАТЕЛЬ

Однофазный двигатель с внешним ротором и центробежным рабочим колесом с назад загнутыми лопатками. Оснащен шариковыми подшипниками для большего срока эксплуатации. Снабжен встроенной тепловой защитой с автоматическим перезапуском. Турбина динамически сбалансирована. В определенных типоразмерах доступен двигатель повышенной мощности (Centro-M max). Для вентиляции помещений с повышенными требованиями к уровню шума доступны малошумные исполнения (Centro-M L).


РЕГУЛИРОВКА СКОРОСТИ

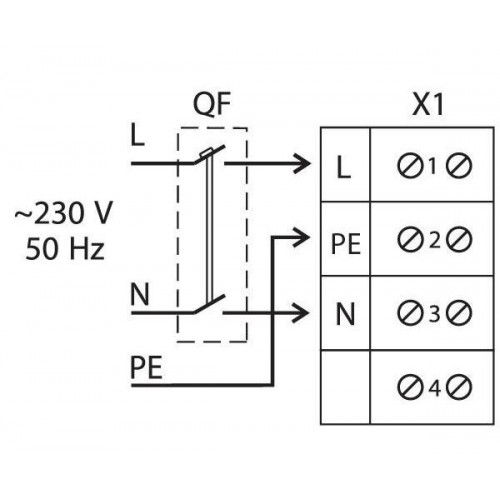
Плавная или ступенчатая регулировка с помощью тиристорного или автотрансформаторного регулятора (приобретается отдельно).

 

МОНТАЖ

- Установка без ограничений в любом положении.

- Вентиляторы типоразмером от 100 до 315 мм крепятся к стене или потолку с помощью монтажных кронштейнов, поставляемых в комплекте.

- Вентиляторы типоразмером от 355 до 450 мм крепятся с помощью монтажных уголков, закрепленных на корпусе.

- Гибкие воздуховоды закрепляются на патрубках вентилятора с помощью хомутов.

 

 

Характеристики
Тип вентилятора
центробежный
Диаметр, мм
200
Производительность max, м³/час
1070.0
Мощность max, Вт
135.0
Уровень шума max, дБ
48.0
Особенности
защита от перегрева
Производитель
Blauberg
Страна бренда
Германия
Акция
нет
Вес, кг
6.6
Высота, мм
345
Давление max, Па
450.0
Длина в мм
255
Класс защиты
IPX4
Количество полюсов двигателя
2
Количество скоростей
1
Материал
окрашенная сталь
Материал крыльчатки
оцинкованная сталь
Направление движения воздуха
одностороннее всасывание
Посадочный размер
198
Распродажа
Нет
Регулировка скорости
дополнительная опция
Серия
Centro-M Blauberg
Сила тока max, А
0.59
Температура воздуха max, °С
+45
Температура воздуха min, °С
-25
Тип канала
круглый
Фаза / Напряжение, В
1f / 220V
Форма лопаток
загнутые назад
Хит продаж
нет
Частота вращения max, об/мин
2710.0
Частота тока, Гц
50
Ширина, мм
395
Отзывы
1.3/ 5
средний рейтинг товара
1
0
0
0
0
Лариса
Лариса
11.11.2025
Моя оценка:
Отличная защита от влаги, можно использовать в банях и душевых
Иван
Иван
31.10.2025
Моя оценка:
Отличное решение для вентиляции, мощность достаточная, шум не раздражает
Константин
Константин
25.10.2025
Моя оценка:
Пользуемся несколько месяцев, полёт нормальный, нареканий нет
Ирина
Ирина
16.10.2025
Моя оценка:
Вентилятор не требует частого вмешательства, работает «включил и забыл»

Нет вопросов о данном товаре, станьте первым и задайте свой вопрос.

Рекомендуемые товары

BDTX 200-A Вентилятор канальный центробежный Bahcivan

BDTX 200-A Вентилятор канальный центробежный Bahcivan

Вентиляторы BDTX канальныеКомпоненты вентилятора и его характеристикиКорпус и рабочее колесо канального вентилятора изготовлены из высококачественной коррозионностойкой стали. Все модели имеют рабочее колесо с внешним роторным мотором. Обладают компактной конструкцией и обеспечивают передачу потока ..

7 950 руб.

CFk 200 MAX Вентилятор канальный центробежный

CFk 200 MAX Вентилятор канальный центробежный

Применяются для перемещения воздуха в круглых каналах систем приточной и вытяжной вентиляции помещений бытового, общественного, административного и промышленного назначения.Разъемный корпус вентиляторов серии CFk MAX изготовлен из композиционного материала с повышенными звукопоглощающими и..

21 280 руб.

CFk 200 VIM Вентилятор канальный центробежный

CFk 200 VIM Вентилятор канальный центробежный

Применяются для перемещения воздуха в круглых каналах систем приточной и вытяжной вентиляции помещений бытового, общественного, административного и промышленного назначения.Разъемный корпус вентиляторов серии CFk VIM изготовлен из композиционного материала с повышенными звукопоглощающими и противоуд..

14 490 руб.

ВКМС 200 канальный центробежный вентилятор

ВКМС 200 канальный центробежный вентилятор

Канальный вентилятор Вентс ВКМС 200ОписаниеВентилятор канальный центробежный Vents Вентс ВКМС 200 — это современный вентилятор с повышенной производительностью общего и бытового назначения. Пропускная способность вентилятора по объему воздушного потока 1100 м3/ч.&n..

15 730 руб.

Канальный вентилятор Airone ВКК 200

Канальный вентилятор Airone ВКК 200

Вентиляторы канальные круглые (ВКК) применяются в системах приточно-вытяжной вентиляции промышленных и общественных зданий. Они компактны и легко монтируются в любом положении. Вентиляторы канальные круглые предназначены для перемещения невзрывоопасного газа с температурой  от – 40 °С до +..

8 140 руб.

Mars GDF 200 Канальный вентилятор

Mars GDF 200 Канальный вентилятор

Вентилятор приточно-вытяжной Era Mars GDF 200 - канальный центробежный вентилятор. Надёжный экономичный двигатель с термозащитой обеспечивает даже постоянный режим работы и малое энергопотребление. Производительность модели 935 м3/ч.Вентиляторы серии Mars используются в приточно-вытяж..

9 450 руб.

15 680 руб.